3A 13H Hexagon Nut
3A 13H Hexagon Nut

3A 13H Hexagon Nut SS304 SS316L Sanitary Union Fitting Stainless Steel 3A Union Hexagon Nut

Model No.:FUN02

SKU:FUN02

Size.:
3A 1"
  • 3A 1"
  • 3A 1 1/2"
  • 3A 2"
  • 3A 2 1/2"
  • 3A 3"
  • 3A 4"
Material:
SS304
  • SS304
  • SS316L

Application

Uinon Fittings are used on permanent installations where process piping and equipment can be cleaned in place (CIP) and removal from the system is not required. Weld Fittings are offered in nominal tube sizes 1/2˝ through 8˝ in T304 and T316L materials. Uniform wall thickness for 1/2˝ through 3˝ sizes measure .065 (16 ga). In 4˝ size, wall thickness measures. 083 (14 ga), 6˝ and 8˝ .109 (12 ga).

Here’s a professional English description for a 304 Stainless Steel Sanitary Clamp Union Fitting Kit: 304 Stainless Steel Sanitary Union Fitting Kit Description Product Name* 304 Stainless Steel Sanitary Quick-Connect Union Kit (Clamp/Thread Type) Key Specifications Material: Body: 304 Stainless Steel (06Cr19Ni10), corrosion-resistant, compliant with GB/T 1220. Seal: Food-grade EPDM/FKM/Silicone (optional), FDA/EC1935 certified. Surface Finish: Mechanical polishing (Ra ≤ 0.8μm), mirror-finished inner surface, dead-space-free design. Optional electropolishing or passivation (enhanced corrosion resistance). Compliance Standards:DIN/SMS/ISO/3A (as per actual certifications). Components Included 1. Union Body: Precision-cast 304 stainless steel,quick-release design, allows 360° rotation alignment. 2. Connection Type: Clamp Typ: Stainless steel tri-clamp with anti-slip locking mechanism. Thread Type: BSP/NPT/Clamp threads available (optional). 3. Gasket: High-temperature resistant (-20°C to120°C), anti-aging, food-safe compliant. Features Hygienic Design: Meets GMP/HACCP standards, suitable for sterile piping systems. No dead zones, supports CIP/SIP cleaning and sterilization. Durability 304 stainless steel resists weak acids, alkalis, and organic solvents. Working pressure: 1.0MPa–1.6MPa (varies by size). Easy Installation Tri-clamp design for tool-free disassembly and maintenance. Compatible with DN15–DN100 (1/2"–4") pipes; custom sizes available. Applications Food & Beverage: Dairy, beer, juice, condiment pipelines. Pharmaceutical: Purified water, WFI (Water for Injection) systems. Cosmetics: High-purity fluid transfer. Packaging & Certifications - Individually packed in dust-proof bags, complete with seals/clamps. - Material Test Certificates (MTC) and sanitary compliance documents provided.

Materials

  • Body: AISI-304 and AISI-316L

Standard Design

  • Standards: SMS, ISO / IDF, DS, RJT, DIN, DIN11864, etc

  • End connections: Weld

  • Size available: 1"-4" or DN10-DN150

Detailed specifications on the drawing label

3A 13H Hexagon Nut

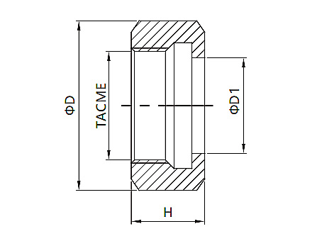
Model  Size D/mm D1/mm TACME H/mm N.W/g
FUN021100 1" 46 30.3 38.02x8 23 136
FUN021150 11/2" 61.1 43.4 51..54x8 24.6 249
FUN021200 2" 76.2 56.5 65.05x8 27 376
FUN021250 21/2" 91.3 69.6 78.56x8 29.6 566
FUN021300 3" 106.4 82.7 92.08x8 32.5 788
FUN021400 4" 137.6 108.9 120.14x6 381 1486

 

Related products
DIN Nut

Union Fittings are used on permanent installations where process piping and equipment can be cleaned in p...

Inquire
3A-14PRF Weld Liner

Union Fittings are used on permanent installations where process piping and equipment can be cleaned in p...

Inquire
Union Gasket

Sanitary Clamp Type Gaskets are one of the most common used gaskets today. The gasket of choice throughou...

Inquire
Union Fitting

Union Fittings are used on permanent installations where process piping and equipment can be cleaned in p...

Inquire
Related news
17

Wenzhou Qiming Stainless Steel Co., Ltd. Holds Inspiring Team Building Activity to Celebrate 15th Anniversary

Wenzhou, China – [November 7-8] – With the autumn breeze blowing and company flags fluttering, Wenzhou Qiming Stainless Steel Co., Ltd. celebrated a significant milestone in its journey in the stainle

30

What are Sanitary Fittings? A Guide to Hygiene and Connection

In our daily lives, we use connectors and joints without a second thought—the pipe under our sink, the hose in our garden. But what about in industries where absolute cleanliness is not just a preference b...

Excellent service preferred Qiming
Contact Us
Exhibitions

GET A QUOTE

GET IN TOUCH NOW
Captcha Code
×
Inquiry Basket()
GET IN TOUCH NOW
Captcha Code
×