Union Fittings are used on permanent installations where process piping and equipment can be cleaned in p...
InquireUinon Fittings are used on permanent installations where process piping and equipment can be cleaned in place (CIP) and removal from the system is not required. Weld Fittings are offered in nominal tube sizes 1/2˝ through 8˝ in T304 and T316L materials. Uniform wall thickness for 1/2˝ through 3˝ sizes measure .065 (16 ga). In 4˝ size, wall thickness measures. 083 (14 ga), 6˝ and 8˝ .109 (12 ga).
Here’s a professional English description for a 304 Stainless Steel Sanitary Clamp Union Fitting Kit: 304 Stainless Steel Sanitary Union Fitting Kit Description Product Name* 304 Stainless Steel Sanitary Quick-Connect Union Kit (Clamp/Thread Type) Key Specifications Material: Body: 304 Stainless Steel (06Cr19Ni10), corrosion-resistant, compliant with GB/T 1220. Seal: Food-grade EPDM/FKM/Silicone (optional), FDA/EC1935 certified. Surface Finish: Mechanical polishing (Ra ≤ 0.8μm), mirror-finished inner surface, dead-space-free design. Optional electropolishing or passivation (enhanced corrosion resistance). Compliance Standards:DIN/SMS/ISO/3A (as per actual certifications). Components Included 1. Union Body: Precision-cast 304 stainless steel,quick-release design, allows 360° rotation alignment. 2. Connection Type: Clamp Typ: Stainless steel tri-clamp with anti-slip locking mechanism. Thread Type: BSP/NPT/Clamp threads available (optional). 3. Gasket: High-temperature resistant (-20°C to120°C), anti-aging, food-safe compliant. Features Hygienic Design: Meets GMP/HACCP standards, suitable for sterile piping systems. No dead zones, supports CIP/SIP cleaning and sterilization. Durability 304 stainless steel resists weak acids, alkalis, and organic solvents. Working pressure: 1.0MPa–1.6MPa (varies by size). Easy Installation Tri-clamp design for tool-free disassembly and maintenance. Compatible with DN15–DN100 (1/2"–4") pipes; custom sizes available. Applications Food & Beverage: Dairy, beer, juice, condiment pipelines. Pharmaceutical: Purified water, WFI (Water for Injection) systems. Cosmetics: High-purity fluid transfer. Packaging & Certifications - Individually packed in dust-proof bags, complete with seals/clamps. - Material Test Certificates (MTC) and sanitary compliance documents provided.
Body: AISI-304 and AISI-316L
Standards: SMS, ISO / IDF, DS, RJT, DIN, DIN11864, etc
End connections: Weld
Size available: 1"-4" or DN10-DN150
![]() |
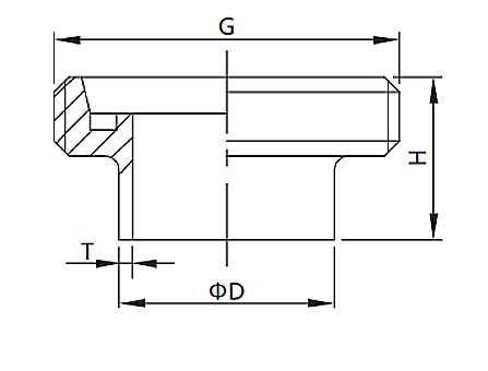
Size | Model | Model | D1/mm | H/mm | T/mm | N.W/g | ||
| D/mm | with Knob | D/mm | with Knob | ||||||
| DN10 | 12 | FUL0120104S1 | 13 | FUL0120104S2 | 22.5 | 13 | 1.5 | 20 | |
| DN15 | 18 | FUL0120154S1 | 19 | FUL0120154S2 | 28.5 | 13 | 1.5 | 20 | |
| DN20 | 22 | FUL0120204S1 | 23 | FUL0120204S2 | 36.5 | 13 | 1.5 | 40 | |
| DN25 | 28 | FUL0120254S1 | 29 | FUL0120254S2 | 44 | 15.5 | 1.5 | 60 | |
| DN32 | 34 | FUL0120324S1 | 35 | FUL0120324S2 | 56 | 16 | 1.5 | 80 | |
| DN40 | 40 | FUL0120404S1 | 41 | FUL0120404S2 | 68.5 | 16 | 1.5 | 90 | |
| DN50 | 52 | FUL0120504S1 | 53 | FUL0120504S2 | 68 | 17 | 1.5 | 110 | |
| DN65 | 70 | FUL0120654S1 | - | - | 86 | 18 | 2 | 180 | |
| DN80 | 85 | FUL0120804S1 | - | - | 100 | 19 | 2 | 220 | |
| DN100 | 104 | FUL0121004S1 | - | - | 121 | 21 | 2 | 360 | |
| DN125 | 129 | FUL0121254S1 | - | - | 150 | 25 | 2 | 580 | |
| DN150 | 154 | FUL0121504S1 | - | - | 176 | 30 | 2 | 860 | |
![]() |
Size | Model | Model | D1/mm | H/mm | T/mm | N.W/g | ||
| D/mm | with Knob | D/mm | with Knob | ||||||
| DN10 | 12 | FUL0420104S1 | 13 | FUL0420104S2 | 22.5 | 17 | 1.5 | 20 | |
| DN15 | 18 | FUL0420154S1 | 19 | FUL0420154S2 | 28.5 | 17 | 1.5 | 30 | |
| DN20 | 22 | FUL0420204S1 | 23 | FUL0420204S2 | 36.5 | 18 | 1.5 | 60 | |
| DN25 | 28 | FUL0420254S1 | 29 | FUL0420254S2 | 44 | 22 | 1.5 | 80 | |
| DN32 | 34 | FUL0420324S1 | 35 | FUL0420324S2 | 56 | 25 | 1.5 | 100 | |
| DN40 | 40 | FUL0420404S1 | 41 | FUL0420404S2 | 68.5 | 26 | 1.5 | 1200 | |
| DN50 | 52 | FUL0420504S1 | 53 | FUL0420504S2 | 68 | 28 | 1.5 | 170 | |
| DN65 | 70 | FUL0420654S1 | - | - | 86 | 32 | 2 | 290 | |
| DN80 | 85 | FUL0420804S1 | - | - | 100 | 37 | 2 | 350 | |
| DN100 | 104 | FUL0421004S1 | - | - | 121 | 44 | 2 | 570 | |
| DN125 | 129 | FUL0421254S1 | - | - | 150 | 34 | 2 | 770 | |
| DN150 | 154 | FUL0421504S1 | - | - | 176 | 37 | 2 | 1010 | |
| DN200 | 212 | FUL0422004S1 | - | - | 226 | 39 | 2 | 1670 | |
![]() |
Size | Model | Model | D1/mm | H/mm | T/mm | N.W/g | ||
| D/mm | with Knob | D/mm | with Knob | ||||||
| DN10 | 12 | FUL0420104S1 | 13 | FUL0420104S2 | 22.5 | 17 | 1.5 | 20 | |
| DN15 | 18 | FUL0420154S1 | 19 | FUL0420154S2 | 28.5 | 17 | 1.5 | 30 | |
| DN20 | 22 | FUL0420204S1 | 23 | FUL0420204S2 | 36.5 | 18 | 1.5 | 60 | |
| DN25 | 28 | FUL0420254S1 | 29 | FUL0420254S2 | 44 | 22 | 1.5 | 80 | |
| DN32 | 34 | FUL0420324S1 | 35 | FUL0420324S2 | 56 | 25 | 1.5 | 100 | |
| DN40 | 40 | FUL0420404S1 | 41 | FUL0420404S2 | 68.5 | 26 | 1.5 | 1200 | |
| DN50 | 52 | FUL0420504S1 | 53 | FUL0420504S2 | 68 | 28 | 1.5 | 170 | |
| DN65 | 70 | FUL0420654S1 | - | - | 86 | 32 | 2 | 290 | |
| DN80 | 85 | FUL0420804S1 | - | - | 100 | 37 | 2 | 350 | |
| DN100 | 104 | FUL0421004S1 | - | - | 121 | 44 | 2 | 570 | |
| DN125 | 129 | FUL0421254S1 | - | - | 150 | 34 | 2 | 770 | |
| DN150 | 154 | FUL0421504S1 | - | - | 176 | 37 | 2 | 1010 | |
| DN200 | 212 | FUL0422004S1 | - | - | 226 | 39 | 2 | 1670 | |
![]() |
Model | Size | D/mm | D1/mm | H/mm | T/mm | N.W/g |
| FUL052010 | DN10 | 15 | 22.5 | 17 | 2.5 | 20 | |
| FUL052015 | DN15 | 21 | 28.5 | 17 | 2.5 | 30 | |
| FUL052020 | DN20 | 25 | 36.5 | 18 | 2.5 | 60 | |
| FUL052025 | DN25 | 31 | 44 | 22 | 2.5 | 80 | |
| FUL052032 | DN32 | 37 | 50 | 25 | 2.5 | 100 | |
| FUL052040 | DN40 | 43 | 56 | 26 | 2.5 | 120 | |
| FUL052050 | DN50 | 55 | 68.5 | 28 | 2.5 | 170 | |
| FUL052065 | DN65 | 72 | 86 | 32 | 3 | 290 | |
| FUL052080 | DN80 | 87 | 100 | 37 | 3 | 350 | |
| FUL052100 | DN100 | 106 | 121 | 44 | 3 | 570 | |
| FUL052125 | DN125 | 132 | 150 | 34 | 3.5 | 770 | |
| FUL052150 | DN150 | 157 | 176 | 37 | 3.5 | 1010 |
![]() |
Model | Size | D/mm | D1/mm | H/mm | T/mm | N.W/g |
| FUL062100 | 1" | 25.4 | 44 | 22 | 1.5 | 100 | |
| FUL062125 | 11/4" | 31.8 | 50 | 25 | 1.5 | ||
| FUL062150 | 11/2" | 38.1 | 56 | 26 | 1.5 | 150 | |
| FUL062200 | 2" | 50.8 | 68.5 | 28 | 1.5 | 210 | |
| FUL062250 | 21/2" | 63.5 | 86 | 32 | 2 | 370 | |
| FUL062300 | 3" | 76.2 | 100 | 37 | 2 | 540 | |
| FUL062400 | 4" | 101.6 | 121 | 44 | 2 | 820 |
Union Fittings are used on permanent installations where process piping and equipment can be cleaned in p...
InquireUnion Fittings are used on permanent installations where process piping and equipment can be cleaned in p...
InquireUnion Fittings are used on permanent installations where process piping and equipment can be cleaned in p...
InquireUnion Fittings are used on permanent installations where process piping and equipment can be cleaned in p...
InquireWenzhou, China – [November 7-8] – With the autumn breeze blowing and company flags fluttering, Wenzhou Qiming Stainless Steel Co., Ltd. celebrated a significant milestone in its journey in the stainle
In our daily lives, we use connectors and joints without a second thought—the pipe under our sink, the hose in our garden. But what about in industries where absolute cleanliness is not just a preference b...
GET A QUOTE