JIS Clamp/Weld Cross
JIS Clamp/Weld Cross
JIS Clamp/Weld Cross

JIS Clamp/Weld Cross SS304 SS316L Tri Clamp Short/Long Fitting Stainless Steel Polishing Sanitary Weld/Clamp Cross

Model No.:FX

SKU:FX

End Connections:
Clamp
  • Clamp
  • Weld
Item No:
Short
  • Short
  • Long
Size.:
JIS 1/2S
  • JIS 1/2S
  • JIS 3/4S
  • JIS 1S
  • JIS 1.5S
  • JIS 2S
  • JIS 3S
  • JIS 4S
Materials:
SS304
  • SS304
  • SS316L
Finishing:
Inner Mirror/Outer Matte
  • Inner Mirror/Outer Matte
  • Inner Mirror/Outer Mirror

Application

Weld Fittings are used on permanent installations where process piping and equipment can be cleaned in place (CIP) and removal from the system is not required. Weld Fittings are offered in nominal tube sizes 1/2˝ through 8˝ in T304 and T316L materials. Uniform wall thickness for 1/2˝ through 3˝ sizes measure .065 (16 ga). In 4˝ size, wall thickness measures. 083 (14 ga), 6˝ and 8˝ .109 (12 ga).

Materials

  • Body: AISI-304 and AISI-316L

Standard Design

  • Standards: DIN11850/DIN11852, SMS, ISO / IDF, BS / AS, ASME BPE

  • End connections: Weld

  • Size available: 1/2"-8" or DN10-DN200

Detailed specifications on the drawing label

JIS Cross

Model No Size A/mm B/mm E/mm N.W/g.
FXM015100 1S 25.4 35 1.25 70
FXM015150 1.5S 38.1 50  1.25 150
FXM015200 2S 50.8 60 1.5 280
FXM015250 2.5S 63.5 79 1.5 720
FXM015300 3S 76.2 82 2 880
FXM015400 4S 101.6 134.5 2 1750

JIS Cross Long

Model No Size A/mm C/mm E/mm N.W/g.
FXM025050 1/2S 12.7 35 1.25  
FXM025075 3/4S 19.05 40 1.65  
FXM025100 1S 25.4 35 1.25  
FXM025150 1.5S 38.1 50  1.25  
FXM025200 2S 50.8 60 1.5  
FXM025250 2.5S 63.5 79 1.5  
FXM025300 3S 76.2 82 2  
FXM025400 4S 101.6 134.5 2  

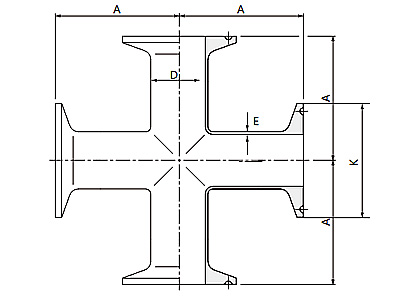
JIS Clamp Cross

Model No Size D/mm K/mm A/mm E/mm N.W/g.
FXC015050 1/2S 12.7 25.2 39 1.25  
FXC015075 3/4S 19.05 25.2 42.5 1.65  
FXC015100 1S 25.4 50.5 55 1.25 350
FXC015150 1.5S 38.1 50.5 70 1.25 350
FXC015200 2S 50.8 64 82 1.5 600
FXC015250 2.5S 63.5 77.5 105 1.5 1160
FXC015300 3S 76.2 91 110 2 1440
FXC015400 4S 101.6 119 162.5 2 2800
Related products
ong Type Tri Clamp Ferrule

Sanitary clamp fittings are with sanitary clamp ends. They are widely used in pipeline systems for food, ...

Inquire
Tri Clamp Spool

Sanitary clamp fittings are with sanitary clamp ends. They are widely used in pipeline systems for food, ...

Inquire
ISO1127 Elbow

Sanitary fittings are with sanitary clamp ends. They are widely used in pipeline systems for food, dairy,...

Inquire
ISO1127 Equal Tee

Sanitary fittings are with sanitary clamp ends. They are widely used in pipeline systems for food, dairy,...

Inquire
Related news
17

Wenzhou Qiming Stainless Steel Co., Ltd. Holds Inspiring Team Building Activity to Celebrate 15th Anniversary

Wenzhou, China – [November 7-8] – With the autumn breeze blowing and company flags fluttering, Wenzhou Qiming Stainless Steel Co., Ltd. celebrated a significant milestone in its journey in the stainle

30

What are Sanitary Fittings? A Guide to Hygiene and Connection

In our daily lives, we use connectors and joints without a second thought—the pipe under our sink, the hose in our garden. But what about in industries where absolute cleanliness is not just a preference b...

Excellent service preferred Qiming
Contact Us
Exhibitions

GET A QUOTE

GET IN TOUCH NOW
Captcha Code
×
Inquiry Basket()
GET IN TOUCH NOW
Captcha Code
×