TMR03 Series manhole cover is used on tanks or containers, especially in the dairy industry, where a hygi...
InquireTSI01 In-Line sight glass consists of a glass tube compressed between two flanges, with a double nut tensioning to prevent over-tightening of the glass. Option to include an stainless-steel grid around the tube as a safety precaution, and the standard sanitary connection of a Tri-Clamp. It is ideal for efficient viewing while supervising your active process.
360 degree viewing angle
Full Bore Design
Tempered glass for safety using
Design for using in both vertical and horizontal direction
Option with stainless steel protecting cover
Max. Working Temperature: 120℃
Max. thermal shock: 100℃
ID/OD Polished: 32Ra
Available Size: 1/2" to 6" or DN15-DN150
Available Connection: Weld, Tri-Clamp, Thread, Flange
Seal: Silicon Per FDA 177.2600
Steel Grade: AISI 304 / 316L
Glass: Tempered Glass
Options:
Seal: EPDM, FPM per FDA 177.2600
| Size | 1/2 ″ | 3/4 ″ | 1″ | 11/2 ″ | 2″ | 21/2 ″ | 3″ | 4″ | 6″ | ||||||||||||||||||||||||||||||||||||||||||||||||
| Working Pressure( Bar ) | 10 | 10 | 10 | 10 | 8 | 7 | 6 | 5 | 5 | ||||||||||||||||||||||||||||||||||||||||||||||||
![]() |
Item | Name | ||||||||||||||||||||||
| 1 | Glass Cylinder | |||||||||||||||||||||||
| 2 | Hexagonal Nut | |||||||||||||||||||||||
| 3 | Seal Ring | |||||||||||||||||||||||
| 4 | Studbolt | |||||||||||||||||||||||
| 5 | Flange | |||||||||||||||||||||||

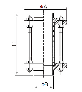
Weld Stralght Sight Glass
![]() |
Model No | Size | A | B | H | ||||||||||||||||||||||||||||||||
| TSI03W41S1100 | 1" | 77 | 25.4 | 144 | |||||||||||||||||||||||||||||||||
| TSI03W41S1125 | 11/4" | 77 | 31.8 | 144 | |||||||||||||||||||||||||||||||||
| TSI03W41S1150 | 11/2" | 82 | 38.1 | 144 | |||||||||||||||||||||||||||||||||
| TSI03W41S1200 | 2" | 100 | 50.8 | 144 | |||||||||||||||||||||||||||||||||
| TSI03W41S1250 | 21/2" | 114 | 63.5 | 150 | |||||||||||||||||||||||||||||||||
| TSI03W41S1300 | 3" | 128 | 76.2 | 152 | |||||||||||||||||||||||||||||||||
| TSI03W41S1400 | 4" | 155 | 101.6 | 160 | |||||||||||||||||||||||||||||||||
| TSI03W41S2025 | DN25 | 78 | 28 | 144 | |||||||||||||||||||||||||||||||||
| TSI03W41S2032 | DN32 | 78 | 34 | 144 | |||||||||||||||||||||||||||||||||
| TSI03W41S2040 | DN40 | 90 | 40 | 144 | |||||||||||||||||||||||||||||||||
| TSI03W41S2050 | DN50 | 106 | 52 | 144 | |||||||||||||||||||||||||||||||||
| TSI03W41S2065 | DN65 | 124 | 70 | 152 | |||||||||||||||||||||||||||||||||
| TSI03W41S2080 | DN80 | 139 | 85 | 154 | |||||||||||||||||||||||||||||||||
| TSI03W41S2100 | DN100 | 159 | 104 | 158 | |||||||||||||||||||||||||||||||||
Clamp Stralght Sight Glass
![]() |
Model No | Size | A | B | H | ||||||||||||||||||||||||||||||||
| TSI03C41S1100 | 1" | 77 | 50.5 | 160 | |||||||||||||||||||||||||||||||||
| TSI03C41S1125 | 11/4" | 77 | 50.5 | 160 | |||||||||||||||||||||||||||||||||
| TSI03C41S1150 | 11/2" | 82 | 50.5 | 160 | |||||||||||||||||||||||||||||||||
| TSI03C41S1200 | 2" | 100 | 64 | 166 | |||||||||||||||||||||||||||||||||
| TSI03C41S1250 | 21/2" | 114 | 77.5 | 170 | |||||||||||||||||||||||||||||||||
| TSI03C41S1300 | 3" | 128 | 91 | 170 | |||||||||||||||||||||||||||||||||
| TSI03C41S1400 | 4" | 155 | 119 | 184 | |||||||||||||||||||||||||||||||||
| TSI03C41S2025 | DN25 | 78 | 50.5 | 160 | |||||||||||||||||||||||||||||||||
| TSI03C41S2032 | DN32 | 78 | 50.5 | 160 | |||||||||||||||||||||||||||||||||
| TSI03C41S2040 | DN40 | 90 | 50.5 | 160 | |||||||||||||||||||||||||||||||||
| TSI03C41S2050 | DN50 | 106 | 64 | 166 | |||||||||||||||||||||||||||||||||
| TSI03C41S2065 | DN65 | 124 | 91 | 170 | |||||||||||||||||||||||||||||||||
| TSI03C41S2080 | DN80 | 139 | 106 | 170 | |||||||||||||||||||||||||||||||||
| TSI03C41S2100 | DN100 | 159 | 119 | 184 | |||||||||||||||||||||||||||||||||
Thread Stralght Sight Glass(SMS and DIN)
![]() |
Model No | Size | A | G | H | ||||||||||||||||||||||||||||||||
| TSI03M41S3100 | 1" | 77 | RD 40x1/6 | 160 | |||||||||||||||||||||||||||||||||
| TSI03M41S3125 | 11/4" | 77 | RD 48x1/6 | 160 | |||||||||||||||||||||||||||||||||
| TSI03M41S3150 | 11/2" | 82 | RD 60x1/6 | 160 | |||||||||||||||||||||||||||||||||
| TSI03M41S3200 | 2" | 100 | RD 70x1/6 | 166 | |||||||||||||||||||||||||||||||||
| TSI03M41S3250 | 21/2" | 114 | RD 85x1/6 | 170 | |||||||||||||||||||||||||||||||||
| TSI03M41SM00 | 3" | 128 | RD 98x1/6 | 177 | |||||||||||||||||||||||||||||||||
| TSI03M41S3400 | 4" | 155 | RD 125x1/4 | 195 | |||||||||||||||||||||||||||||||||
| TSI03M41S2025 | DN25 | 78 | RD 52x1/6 | 160 | |||||||||||||||||||||||||||||||||
| TSI03M41S2032 | DN32 | 78 | RD 58x1/6 | 160 | |||||||||||||||||||||||||||||||||
| TSI03M41S2040 | DN40 | 90 | RD 65x1/6 | 160 | |||||||||||||||||||||||||||||||||
| TSI03M41S2050 | DN50 | 106 | RD 78x1/6 | 166 | |||||||||||||||||||||||||||||||||
| TSI03M41S2065 | DN65 | 124 | RD 95x1/6 | 170 | |||||||||||||||||||||||||||||||||
| TSI03M41S2080 | DN80 | 139 | RD 110x1/4 | 177 | |||||||||||||||||||||||||||||||||
| TSI03M41S2100 | DN100 | 159 | RD 130x1/4 | 195 | |||||||||||||||||||||||||||||||||
TMR03 Series manhole cover is used on tanks or containers, especially in the dairy industry, where a hygi...
InquireTSA01 Sterile Visual Flow Indicator offers easy cleaning, validation and sterilisation so it is ideal for...
InquireTSI Series tubular sight glass is most common type used for observation nowadays. It offers 360 degree vi...
InquireTSI Series tubular sight glass is most common type used for observation nowadays. It offers 360 degree vi...
InquireWenzhou, China – [November 7-8] – With the autumn breeze blowing and company flags fluttering, Wenzhou Qiming Stainless Steel Co., Ltd. celebrated a significant milestone in its journey in the stainle
In our daily lives, we use connectors and joints without a second thought—the pipe under our sink, the hose in our garden. But what about in industries where absolute cleanliness is not just a preference b...
GET A QUOTE