To show surface of a liquid, for insertion into attachment to tanks, vessels and silos .The base frame is...
InquireTSF Series sight glass units used for observing the interior of tanks, silos, stirred vessels, separators, pipelines etc, are designed for welding into or onto vessel walls, comprising of a glass disc with requisite gaskets either side laid between circular flanges which are tightly bolted together They can be combined with LED light or wiper.
Circular pad flange for welding into or onto vessel wall
Size range from DN50 to DN200
Viewing diameter from 80 to 225 mm
LED light options available
Wiper options available
Cover Flange: SS304
Base Flange: SS304/SS316L
Seat Gasket: PTFE
Operating pressure: Atmospheric to 16bar
Glass Material: Toughened sodalime glass
Temperature range: -10°C to 120°C
Gasket Material available: EPDM, FPM, PTFE
Glass Material available: Toughened Borosilicate
Radius base flange
Installation
After welding in the base flange (1) into the vessel wall,gaskets (2), glass sight glass disc (3) and cover flange (4)are carefully laid and bolted together with bolts (5).Tighten progressively on a diametric cross basis with socket spanner.
![]() |
Item | Description | Material | |||||||||||||||||||||||
| 1 | Base Flange | SS304/SS316L | ||||||||||||||||||||||||
| 2 | Gasket | PTFE | ||||||||||||||||||||||||
| 3 | Glass | Toughened sodalime glass | ||||||||||||||||||||||||
| 4 | Cover Flange | SS304 | ||||||||||||||||||||||||
| 5 | Bolts | SS304 | ||||||||||||||||||||||||
![]() |
|||||||||||||||||||||||||||||||||||||||||||||||||||||||||
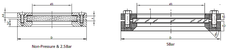
| Flamge Type Sight Glass,NON-Pressure | |||||||||||||||||||||||||||||||||||||||||||||||||||||||||
| Model No | Size | D | d1 | h1 | h2 | s | Bolts | ||||||||||||||||||||||||||||||||||||||||||||||||||
| TSF0145S050PN | DN50 | 140 | 80 | 10 | 15 | 10 | 4*M6 | ||||||||||||||||||||||||||||||||||||||||||||||||||
| TSF0145S080PN | DN80 | 165 | 100 | 10 | 15 | 10 | 8*M6 | ||||||||||||||||||||||||||||||||||||||||||||||||||
| TSF0145S100PN | DN100 | 190 | 125 | 10 | 15 | 10 | 8*M6 | ||||||||||||||||||||||||||||||||||||||||||||||||||
| TSF0145S125PN | DN125 | 215 | 150 | 10 | 15 | 10 | 8*M6 | ||||||||||||||||||||||||||||||||||||||||||||||||||
| TSF0145S150PN | DN150 | 240 | 175 | 10 | 15 | 10 | 8*M6 | ||||||||||||||||||||||||||||||||||||||||||||||||||
| TSF0145S200PN | DN200 | 290 | 225 | 10 | 15 | 10 | 8*M6 | ||||||||||||||||||||||||||||||||||||||||||||||||||
| Flamge Type Sight Glass-2.5Bar | |||||||||||||||||||||||||||||||||||||||||||||||||||||||||
| Model No | Size | D | d1 | h1 | h2 | s | Bolts | ||||||||||||||||||||||||||||||||||||||||||||||||||
| TSF0145S050P2.5 | DN50 | 150 | 80 | 12 | 24 | 10 | 4*M12 | ||||||||||||||||||||||||||||||||||||||||||||||||||
| TSF0145S080P2.5 | DN80 | 175 | 100 | 14 | 24 | 15 | 4*M12 | ||||||||||||||||||||||||||||||||||||||||||||||||||
| TSF0145S100P2.5 | DN100 | 200 | 125 | 14 | 24 | 15 | 4*M12 | ||||||||||||||||||||||||||||||||||||||||||||||||||
| TSF0145S125P2.5 | DN125 | 225 | 150 | 16 | 24 | 15 | 8*M12 | ||||||||||||||||||||||||||||||||||||||||||||||||||
| TSF0145S150P2.5 | DN150 | 250 | 175 | 16 | 24 | 20 | 8*M12 | ||||||||||||||||||||||||||||||||||||||||||||||||||
| TSF0145S200P2.5 | DN200 | 300 | 225 | 16 | 24 | 20 | 8*M12 | ||||||||||||||||||||||||||||||||||||||||||||||||||
| Flamge Type Sight Glass-5Bar | |||||||||||||||||||||||||||||||||||||||||||||||||||||||||
| Model No | Size | D | d1 | h1 | h2 | s | Bolts | ||||||||||||||||||||||||||||||||||||||||||||||||||
| TSF0145S050P5 | DN50 | 150 | 80 | 16 | 25 | 12 | 4*M12 | ||||||||||||||||||||||||||||||||||||||||||||||||||
| TSF0145S080P5 | DN80 | 177 | 100 | 16 | 25 | 12 | 4*M12 | ||||||||||||||||||||||||||||||||||||||||||||||||||
| TSF0145S100P5 | DN100 | 202 | 125 | 16 | 25 | 15 | 8*M12 | ||||||||||||||||||||||||||||||||||||||||||||||||||
| TSF0145S125P5 | DN125 | 228 | 150 | 16 | 25 | 15 | 8*M12 | ||||||||||||||||||||||||||||||||||||||||||||||||||
| TSF0145S150P5 | DN150 | 254 | 175 | 16 | 25 | 15 | 8*M12 | ||||||||||||||||||||||||||||||||||||||||||||||||||
| TSF0145S200P5 | DN200 | 304 | 225 | 19 | 30 | 19 | 8*M12 | ||||||||||||||||||||||||||||||||||||||||||||||||||
![]() |
||||||||||||||||||||
| Item | Description | Material | Qty | |||||||||||||||||
| 1 | Base Flange | SS304/SS316L | 1 | |||||||||||||||||
| 2 | Cover Flange | SS304 | 1 | |||||||||||||||||
| 3 | Gasket | PTFE | 2 | |||||||||||||||||
| 4 | Glass | Borosilicate | 1 | |||||||||||||||||
| 5 | Nut | SS304 | 48 | |||||||||||||||||
| 6 | Screw | SS304 | 48 | |||||||||||||||||
![]() |
||||||||||||||||||||||||||||||||||
| Model No | Size | PN | D | d1 | h1 | h2 | s | Bolts | ||||||||||||||||||||||||||
| TSF0145B050P10 | DN50 | 10 | 165 | 80 | 16 | 30 | 15 | 4*M16 | ||||||||||||||||||||||||||
| TSF0145B080P10 | DN80 | 10 | 200 | 100 | 20 | 30 | 15 | 8*M16 | ||||||||||||||||||||||||||
| TSF0145B100P10 | DN100 | 10 | 220 | 125 | 22 | 30 | 20 | 8*M16 | ||||||||||||||||||||||||||
| TSF0145B125P10 | DN125 | 10 | 250 | 150 | 25 | 30 | 20 | 8*M16 | ||||||||||||||||||||||||||
| TSF0145B150P10 | DN150 | 10 | 285 | 175 | 30 | 36 | 25 | 8*M20 | ||||||||||||||||||||||||||
| TSF0145B200P06 | DN200 | 6 | 340 | 225 | 20 | 36 | 30 | 8*M20 | ||||||||||||||||||||||||||
| TSF0145B050P16 | DN50 | 16 | 165 | 80 | 16 | 30 | 15 | 4*M16 | ||||||||||||||||||||||||||
| TSF0145B080P16 | DN80 | 16 | 200 | 100 | 20 | 30 | 20 | 8*M16 | ||||||||||||||||||||||||||
| TSF0145B100P16 | DN100 | 16 | 220 | 125 | 22 | 30 | 25 | 8*M16 | ||||||||||||||||||||||||||
| TSF0145B125P16 | DN125 | 16 | 250 | 150 | 25 | 30 | 25 | 8*M16 | ||||||||||||||||||||||||||
| TSF0145B150P16 | DN150 | 16 | 285 | 175 | 30 | 36 | 30 | 8*M20 | ||||||||||||||||||||||||||
| TSF0145B200P16 | DN200 | 10 | 340 | 225 | 35 | 36 | 30 | 8*M20 | ||||||||||||||||||||||||||

To show surface of a liquid, for insertion into attachment to tanks, vessels and silos .The base frame is...
InquireUnion Type sight glasses are welded to container to allow visual observation of product flow. TSU series...
InquireTSP Series sight glass with light indicator is designed for make sure smooth observation even under dark ...
InquireTSF Series flange type sight glass is widely used in food, wine-producing, beverage and pharmacy industri...
InquireWenzhou, China – [November 7-8] – With the autumn breeze blowing and company flags fluttering, Wenzhou Qiming Stainless Steel Co., Ltd. celebrated a significant milestone in its journey in the stainle
In our daily lives, we use connectors and joints without a second thought—the pipe under our sink, the hose in our garden. But what about in industries where absolute cleanliness is not just a preference b...
GET A QUOTE